- 产品描述
-
系统特点与优势
BCM-100电缆在线监测及隐患预警定位系统采用非接触式检测方法,实时在线监测中高压电缆的局部放电、接地环流、温度(可选)。
- 实时在线监测
- 优越的专家诊断系统
- 强大的电缆故障数据库
- 抗干扰能力强
- 监测频带涵盖50kHz-100MHz范围
- 采样率为100MSa/s

系统构成--HFCT传感器
主要技术参数


频率范围
50kHz-100MHz
安装方式
卡装式
开口内径
50-100mm可选
防护等级
IP68
检测灵敏度
1pC
采样率
100MSa/s
信号传输方式
50Ω同轴电缆
物理结构设计为分裂式,通过卡在电缆接地线上或交叉互联线上实现对局放脉冲信号的检测,现场安装极为方便。
系统构成--环流传感器
接地环流+同步相位
主要技术参数

测量范围
0-100A
测量精度
±1%
安装方式
卡装式
防护等级
IP68
工作环境温度
-40℃~+65℃
工作环境湿度
95%Rh
系统构成--采集终端
采用模块化设计,包括电源模块、通信模块、数据存储模块。电源本地化,源自电缆终端柜内电源。通信模块负责上、下行通信,上行为服务器提供信号及数据;下行则为传感器采集数据的归集。数据存储模块执行数据管理与存储。

项目
参数
电源
直流24V,1A
传感器接口方式
BNC
上行通信方式
RS485
通信距离
1200米
防护等级
IP55
局部放电采集
1)频率范围:50KHz~100MHz
2)内置最大保持电路,防止放电信
号采集遗漏环流采集
1)频率范围:50Hz
2)电流范围:0~100A时间同步
内置工频同步:50Hz
尺寸
236*235*65mm
环境温度
-25℃~55℃
环境湿度
95%
系统构成--子站
子站设备采用嵌入式操作系统,汇集终端采集数据,网络输送至平台,拥有数据收集、传输、存储三大核心功能。

项目
参数
电源
适配器输入AC220V~12VDC~2A
上行通信方式
TCP/IP
存储
TF卡16G
防护等级
IP55
环境温度
-25℃~55℃
环境湿度
95%
系统构成--云平台

系统功能--实时监测+预警


灰色:表示传感连接异常,采样值太小;
绿色:表示传感器运行正常;
黄色:表示该传感器所在位置的放电峰值超过警戒门限,应该对该位置进行关注。
橙色:表示该传感器所在位置的放电峰值比较高,超过了定值中的过高门限,加强对该位置进行巡检,提高关注度;
红色:表示该传感器所在位置的放电峰值很高,已经超高告警门限,加强对该位置进行巡检,提高关注度;
系统功能--放电图谱
放电分布:φ-q二维谱图及PRPS、φ-q-n三维谱图、椭圆图

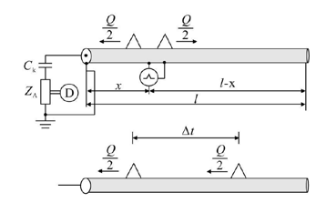
系统功能--故障定位



系统功能--趋势分析


系统功能--历史查询




系统功能--参数设置


系统功能—绘制系统图

系统功能--专家诊断系统并自动生成分析报告


留言咨询
如果您对我们的产品感兴趣,请留下您的电子邮件,我们将尽快与您联系,谢谢!
更多产品